Compact Block Cylinder

Double acting, push type


 

Description :

Compact Block cylinders are widely used in work holding fixtures and other short stroke applications.

Advantages :

As compared to the tie rod construction cylinders, these cylinders are very compact, due to the integral construction.
These cylinders are versatile, i.e. they can be mounted in different ways.

Installation :

The cylinder can be mounted on the front side (rod side), rear side and side faces, as shown in the figures fig. 1, fig. 2, fig. 3.

Specifications :

  • Maximum operating pressure - 200 bar.

Notes :

  • For side mounting, positive stopper should be provided to reduce the load on the clamping bolts. (fig. 3)
  • For ordering the seal kit, add the prefix "S" to the part number.


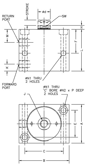
Dimensional details :

 
 
FORCE* (PUSH) 4.7kN 12.0 kN 19 kN 29.4 kN
FORCE* (PULL) 3.0 kN 9.0 kN 11.5 kN 22.0 kN
øBORE 20 32 40 50
A 35 50 60 70
B 45 65 74 92
C 34 50 56 70
d 12 16 20 25
E 22 35 42 48
H 5 5 6 6
J M6x10DEEP M10x15DEEP M12x15DEEP M16x20DEEP
K 9 9 12 12
M 14 17 20 25
N1 4.2 6.5 9 11
N2XP 7.5x4.4 DP 11X6.5 DP 14X8.5 DP 17.5X11 DP
PORTS 1/8" BSP 1/8" BSP 1/4" BSP 1/4" BSP
SW 10 14 17 22
PART NO. 4310100 4310200 4320100 4320200 4330100 4330200 4340100 4340200
STROKE±1 20 35 20 35 20 35 20 35
L 45 60 54 69 60 75 66 81
F 25.5 33 31 38 34 42 33.5 39
OIL VOLUME
(PUSH)
6.3 cc 11 cc 16 cc 28 cc 25 cc 44 cc 39.3 cc 68.7 cc
OIL VOLUME
(PULL)
4 cc 7 cc 12 cc 21 cc 19 cc 33 cc 29.5 cc 51.5 cc
WEIGHT -- kg -- kg -- kg -- kg -- kg -- kg -- kg -- kg
* Force is specified at 150 bar.
All dimensions are in mm, Overall dimension tolerance ± 0.5 mm.
Subject to change for improvement. (Revision - DEC 2025)

Application Example :